浙江蓝狮在线液压科技股份有限公司
蓝狮在线液压产品覆盖工程、农业、矿山、工业、环保和军工等各类车辆配套的液压阀、油缸

手机版 微官网 English


销售热线

技术热线:0576-85183757


制动阀系列

所在位置:首页 液压产品 > 制动阀系列 >


关键词:多路阀系列先导阀系列制动阀系列操纵阀系列农机阀系列转向阀系列

>

产品分类 Product Lists

全国服务热线:

0576-85182037

产品样册下载

销售电话:0576-85182037
技术电话:0576-85183757
传真号码:0576-85182843
联系邮箱:haihong@cn-hydraulic.com
公司地址:浙江省临海市江南街道金岭路199号


产品特点

  • 控制方式:手柄式,具有定位功能;

    工作形式:采用比例减压阀结构,随着手柄角度的不同,输出不同的压力。

  • 结构紧凑,安装方便;

    制动灵敏,制动微动性能好;


应用领域

主要用于矿山机械、农林机械、装载机等其它机械的全液压制动系统。

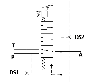
液压原理图

146

特性曲线

147


技术参数(对超出下述参数的应用场合,请与我公司联系)

概述

结构

整体手柄式

安装方式

见外形图

油口连接方式

螺纹

液压

最大制动压力bar

70

公称压力bar

200

允许最大回油背压bar

1

制动出口流量L/min

30(max)

液压油温度范围℃

-20~+100

粘度范围m2/s

10~460

油液允许的污染等级

-/19/16 (ISO4406:1999)

机械

重量 Kg

3.3

产品外形图

148

149

相关产品



蓝狮在线液压

销售热线:0576-85182037


技术热线:0576-85183757   传真号码:0576-85182843
联系邮箱:haihong@cn-hydraulic.com   公司地址:浙江省临海市江南街道金岭路199号

友情链接: 多路阀系列 先导阀系列 制动阀系列 操纵阀系列 农机阀系列 转向阀系列 Sitemap TXT Sitemap XML 网站地图

微信二维码
微信官网

手机端二维码
手机官网