浙江蓝狮在线液压科技股份有限公司
蓝狮在线液压产品覆盖工程、农业、矿山、工业、环保和军工等各类车辆配套的液压阀、油缸

手机版 微官网 English


销售热线

技术热线:0576-85183757


先导阀系列

所在位置:首页 液压产品 > 先导阀系列 >


关键词:多路阀系列先导阀系列制动阀系列操纵阀系列农机阀系列转向阀系列

>

产品分类 Product Lists

全国服务热线:

0576-85182037

产品样册下载

销售电话:0576-85182037
技术电话:0576-85183757
传真号码:0576-85182843
联系邮箱:haihong@cn-hydraulic.com
公司地址:浙江省临海市江南街道金岭路199号


上一篇:SF8压力选择阀 下一篇:没有了

产品特点

  • 片式手柄在偏转范围内,可任意角度定位;

    D06在手柄偏转最大角度可电磁铁定位;

    多片灵活组合;

  • 输出压力随手柄角度呈比例变化;

    远程液压控制;

    操纵力小。

应用领域

适用于多路阀、泵、马达的远程控制,用于叉车、挖掘机等工程机械设备。

液压原理图

80


技术参数(对超出下述参数的应用场合,请与我公司联系)

概述

结构

整体式/分片式

油口连接方式

螺纹连接 G1/4 或 M14×1.5

安装方式

见外形图

重量 kg

1.6~1.8

液压

允许最大回油背压bar

3

先导控制油流量 L/min

16

P口最大压力bar

35

电源电压 V

DC24(4TH6D型)

液压油温度范围℃

-20~+100

粘度范围m2/s

10~380

油液允许的污染等级

-/19/16 (ISO4406:1999)

特性曲线

L06,U06工作口特性曲线,在油温40℃,流量16L/min下测得

81

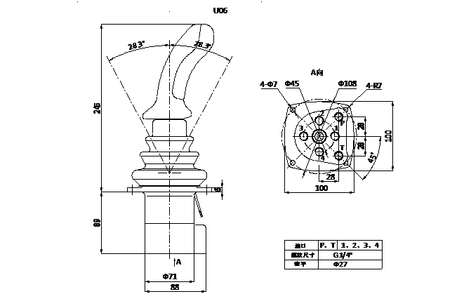
产品外形图


83 84


相关产品



蓝狮在线液压

销售热线:0576-85182037


技术热线:0576-85183757   传真号码:0576-85182843
联系邮箱:haihong@cn-hydraulic.com   公司地址:浙江省临海市江南街道金岭路199号

友情链接: 多路阀系列 先导阀系列 制动阀系列 操纵阀系列 农机阀系列 转向阀系列 Sitemap TXT Sitemap XML 网站地图

微信二维码
微信官网

手机端二维码
手机官网